产品中心

产品分类

联系我们

彬野起重机械(上海)有限公司  

服务热线:4008 292 822

联系人:丁先生

手机:188 1775 2361

传真:021-5995 1268

邮箱:sales@bnyel.com

网址:www.bnyel.cn

地址:上海市嘉定区汇仁路1800号 



Global King 双梁钢丝绳葫芦

Global King 双梁钢丝绳葫芦

  • 产品介绍
  • 产品参数
  • 性能描述

产品名称:Global King 双梁钢丝绳葫芦

型号:Global King

额定载荷:5000-20000KG

工作级别:FEM 2m

控制电压24V


具有使用简便,并且使用寿命长的特点。

 1、钢丝绳卷筒

采用高质钢材制造而成的钢丝绳卷筒采用深沟槽设计,同时还配有导绳机构,可以有效地帮助钢丝绳的准确排绳,确保操作安全的同时延长钢丝绳及卷筒的使用寿命。钢丝绳顶端配三颗高强度金属锁扣锁紧,并且当处于吊钩低位时,顶端仍留有三卷余量,保证操作的安全性。

·  2、高强度 DC 盘式制动器

高强度的 DC 盘式制动器制动性能可达到标准扭矩的2倍,从而实现快速、主动的刹车及抱紧功能。

·  3、葫芦起升电机

双速葫芦起升电机,高低速比为4:1,可以满足您低速运行准确定位及高速运行快速起降的全面工作要求。电机的设计和制造为起重行业所量身定制。

·  4、齿轮传动机构

·  油浸式齿轮传动机构采用三级降速设计,精加工的齿轮组在防渗漏的铸铝齿轮箱中运行。

5、低净空

·  低净空设计保证较大的吊钩行走距离。

6、限位器 (未在图中显示)

·  钢丝绳葫芦标配上下端旋片式电路限位器,另外可选配触碰式顶端限位器。同时机器标配有过载保护装置,保障操作安全性。

7、可旋转吊钩

·  小车标配有可旋转吊钩,吊钩可在水平360度、垂直180度的范围内自由旋转,方便负重的装卸。


Global King 双梁Top-Running&Deck-Mount钢丝绳葫芦 技术参数
技术指标Gobal King Top-Running&Deck-Mount双梁钢丝绳葫芦
框架尺寸BCD
额定载荷5t10t15t16t20t
工作级别FEM 2m                                                                        相当于ASMN H-4 duty
钢丝绳四绳每列 9mm四绳每列 12mm四绳每列 15mm六绳每列 15mm六绳每列 15mm
导绳器标配
下吊钩组360°旋转销安装配安全搭扣360°旋转固定安装配安全搭扣
齿轮组油浸式斜齿轮
起重电机(TEFC,IP54)双速鼠笼电机,4:1速比;F级绝缘等级,带TAS,符合FEM S3持续接电率
葫芦制动直流盘式制动器
葫芦控制电磁接触器——标配双速控制
上下限位NEMA 4 上/下控制电路
缺相检测及保护标配
主电路熔断保护标配
电机过热保护标配电机热敏开关
葫芦运行监控器可选
过载保护装置标配 NEMA 4/12
小车齿轮箱*蜗轮蜗杆式*斜齿轮传动方式
小车电机*单速VFC,带TAS,连续工作30分钟,F级防护*单速VFC,带TAS,S3,连续工作24分钟,F级防护
小车制动*可选标配50%力矩的交流盘式制动器
小车控制标配两档可选变频率控制
小车车轮*203mm,双踏面设计,球墨铸铁@187-255BHN*160mm双踏面设计      @300-350BHN*200mm双踏面设计 @300-350BHN
小车防撞*标配
轴承全部摩擦
控制箱NEMA 4/12
* 不适用于 Deck-Mount 型号。
           葫芦选项                         小车选项
       * 主回路接触器                     * 小车变频控制
       * 户外应用                         * 小车制动器
       * 可选主副钩型号 
       * 手柄控制 
       * 起升变频控制 
       * 制动器手动释放 
       * 重锤限位 
       * 上/下限位,四点限位 
Global King双梁钢丝绳葫芦 Top Running 技术参数
框架尺寸钢丝绳葫芦净重kg
额定载荷t起升高度ft起升高度m标准轨道距离mm起升速度m/min电机功率kw钢丝绳列数变频小车行走速度m/min
B5257.65.0/1.24.6/1.2420/50.44x2710
4012.2760
6018.3840
8024.41230
C10257.65.0/1.29.3/2.3420/50.44x21100
4012.21250
6018.31480
D15257.64.5/1.112.5/3.1420/50.96x21510
4012.21600
6018.31780
1626'-8"8.13.0/0.7512.5/3.1620/50.96x21750
4012.22050
2026'-8"8.13.0/0.7512.5/3.1620/50.96x21750
4012.22050

*以上所有数据都基于380V-3Ph-50Hz的情况下                                                     

**轨道距离必须在下单时说明。                                                                     

***变频小车行走速度可选其他速度,具体可咨询销售,较高可达45m/min


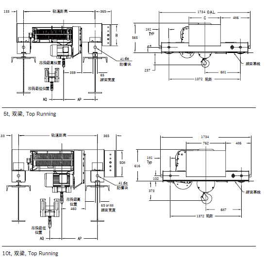
Global King 双梁钢丝绳葫芦 Top Running外形尺寸:
框架尺寸额定载荷t起升高度ft起升高度m标准轨道距离mmAPAQ
B5257.61400605140
4012.21700574225
6018.32000550300
8024.42000875232
C10257.61700765146
4012.22000875232
6018.32400875347
D15257.61700849167
4012.22000881257
6018.32400846378
1626'-8"8.12000733171
4012.22400075260
2026'-8"8.12000733171
4012.22000750260

产品描述


产品描述

产品描述



本文网址: http://www.bnyel.cn/product/537.html

关键词: 钢丝绳葫芦,钢丝绳葫芦价格,钢丝绳葫芦厂家

上一篇: 没有了
下一篇: 没有了

近期浏览:

彬野起重机械(上海)有限公司

电话:4008 292 822      热线:188-1775-2361  丁先生 

邮箱:sales@bnyel.com

网址:www.bnyel.cn

地址:上海市嘉定区外冈工业园汇仁路1800号

智能起重机

微信二维码

洁净室起重机

手机站二维码

©版权所有 彬野起重机械(上海)有限公司 All rights reserved 沪ICP备17022756号
在线客服
分享 一键分享